基本信息
作为膜技术的先驱, 苏伊士水务技术与方案凭借数十年的研发和运营经验, 开发了市场上最先进的压力式超滤技术之一, ZeeWeed*1500。事实证明, 无论水源水质如何,ZeeWeed系统在满足甚至超越监管要求的同时, 始终优于传统过滤技术。
典型应用
用途广泛且可靠的压力式超滤膜ZeeWeed*1500-X适用于包括饮用水处理, 三级过滤以及苦咸水和海水的反渗透预处理等多种应用。与颗粒滤料相比, ZeeWeed膜具有更高质量的水质, 而且几乎不受原水水质变化的影响, 所有这些都与传统的过滤技术相比具有相当的成本优势。
一般属性
• 0.02 微米标称孔径 ,用于微粒、细菌和病毒的最佳去除
• PVDF中空纤维膜 , 提供高机械强度和耐化学性
• 外压式过滤, 提供均匀的流量分布和高固体耐受性
• 采用欧洲进口中空纤维膜, 在中国组装
产品规格
膜组件 | ZeeWeed 1500-X |
标称膜组件膜面积 | 55.7 m2 (600 ft2) |
最大运输重量 | 32 kg (70 lb) |
提升重量2 | 30 - 36 kg (65 - 80 lb) |
膜材料 | PVDF 聚偏二氟乙烯 |
标称膜孔径 | 0.02 micron |
中空纤维直径 | 外径 1.1 mm, 内径: 0.66 mm |
过滤形式 | 外压式 |
外壳材料 | PVC 膜壳,GRP 端盖 |

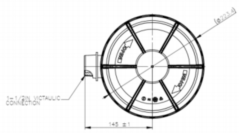
膜组件尺寸和连接 | |
高度 | 1919 mm (75.6 ” ) |
直径 | 180 mm (7”) |
进水接口/产水接口 | 2” (DN50) Victaulic |
废水接口 | 1 ½ ” (DN40) Victaulic |
系统集成 | 膜组件机架 |
操作参数
性能 流量范围 |
45 - 180 m3/day (8 - 33 gpm) |
运行条件 最大膜组入口压力 跨膜压差范围 最高运行温度 操作 pH 值范围 空气擦洗流量 反冲洗流量 |
379 kPa (55 psi) 0 - 276 kPa (0 - 40 psi) 40°C (104°F)
5.0 - 10.0 5.1 m3/h (3 dcfm) 1.8 m3/hr (8 gpm) |
清洗 清洗 pH 值范围 余氯耐受量 |
2.0 - 12.0 1,000 mg/L (as NaClO)3 |

储存与运输
在安装前, 膜组件可在原厂包装中存放1年。膜组件必须存储在5°C到35°C (41°F至95°F ) 的环境中。 不可暴露在热源、火源或阳光 (紫外线) 直射的地方。
性能特点
浸没式设计,高效节能
采用PVDF(聚偏氟乙烯)材质中空纤维膜,孔径为0.04微米,以浸没式运行方式直接置于反应池中,无需外部压力驱动,能耗较传统压力式超滤降低20%–40%。
抗污染与易维护性
纤维表面经永久亲水改性,结合周期性气擦洗与在线化学清洗(CIP),可有效抑制污堵,膜通量恢复率>95%,维护频率低,使用寿命达8–10年。
高机械强度与化学耐受性
PVDF材料耐酸碱(pH 2–12)、耐氧化剂(如次氯酸钠浓度≤5000 ppm),适应高悬浮物(MLSS≤15 g/L)环境,适用于复杂工业废水处理场景。
模块化灵活配置
单支膜面积达1,500 m²,支持定制化排列组合,适配从中小型分布式处理到大型水厂的全规模需求,且安装无需复杂支架,节省空间与工期。
应用领域
市政污水深度处理与回用
用于污水处理厂提标改造,结合MBR(膜生物反应器)工艺,出水可达地表Ⅳ类标准,直接用于绿化、冲厕或工业冷却水。
工业高难度废水处理
针对石化、制药等高COD、高盐废水,作为预处理或深度过滤单元,截留胶体、乳化油及微生物,保障后续反渗透或蒸发结晶工艺稳定运行。
饮用水安全保障
应用于地表水厂,去除藻类、寄生虫(如隐孢子虫)及病毒,配合低压运行特性,适合老旧水厂节能化升级。
应急水处理与分散式供水
在洪涝、地震等灾害场景中,通过集装箱式膜系统快速部署,实现浑浊水源的即时净化,满足紧急饮用水需求。
该膜以“低能耗、强耐受、易集成”为核心优势,成为市政、工业及应急领域实现水资源循环利用的关键技术,尤其适用于高负荷、高波动性水质场景。
客户须知
华淼沁水处理经销出售威立雅全系列滤膜,确保膜组件都是原装全新正品,具备原厂检测报告和产品说明,同时提供系统的应用解决方案和售后维护。大力鼓励客户立足于人类健康和环境质量,确保威立雅产品不用于预定或测试用途之外的用途。我们可解答您的问题,并提供合理的技术支持。在使用威立雅产品之前,应先查看产品说明(包括注意事项)。华淼沁可提供最新的产品数据表,并致力于提高产品的使用周期和效益,降低客户运行成本。